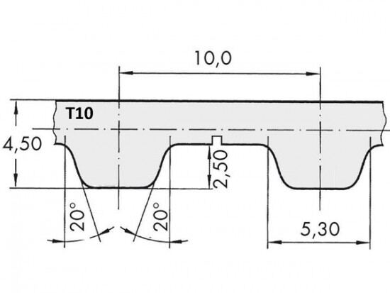
Řemen ozubený 75 T10 / 4400 AFX optibelt ALPHA FLEX

Řemen ozubený 75 T10 / 4400 AFX optibelt ALPHA FLEX

Kód produktu: 
4044978586995
Dostupnost:
Na dotaz
23 995 Kč
19 831 Kč bez DPH