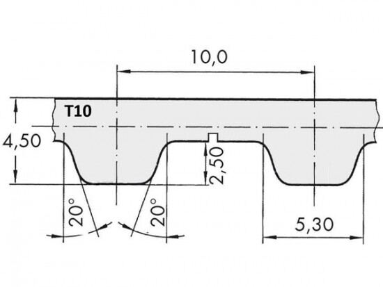
Řemen ozubený 75 T10 / 4200 AFX optibelt ALPHA FLEX

Řemen ozubený 75 T10 / 4200 AFX optibelt ALPHA FLEX

Kód produktu: 
4044978587848
Dostupnost:
Na dotaz
22 983 Kč
18 994 Kč bez DPH