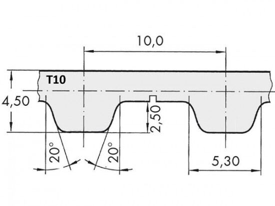
Řemen ozubený 75 T10 / 4000 AFX optibelt ALPHA FLEX

Řemen ozubený 75 T10 / 4000 AFX optibelt ALPHA FLEX

Kód produktu: 
4044978595416
Dostupnost:
Na dotaz
21 834 Kč
18 044 Kč bez DPH