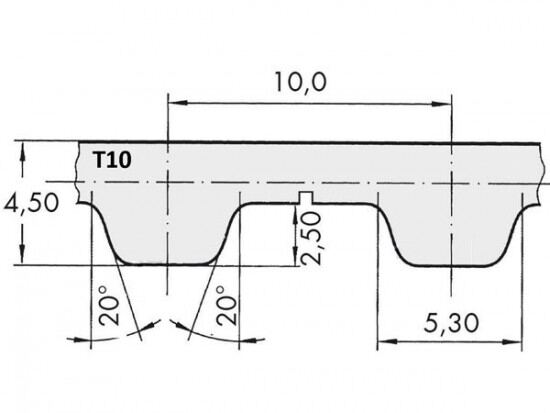
Řemen ozubený 75 T10 / 3800 AFX optibelt ALPHA FLEX

Řemen ozubený 75 T10 / 3800 AFX optibelt ALPHA FLEX

Kód produktu: 
4044978586117
Dostupnost:
Na dotaz
20 846 Kč
17 228 Kč bez DPH