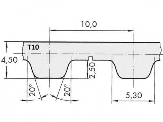
Řemen ozubený 75 T10 / 3600 AFX optibelt ALPHA FLEX

Řemen ozubený 75 T10 / 3600 AFX optibelt ALPHA FLEX

Kód produktu: 
4044978593252
Dostupnost:
Na dotaz
19 674 Kč
16 259 Kč bez DPH