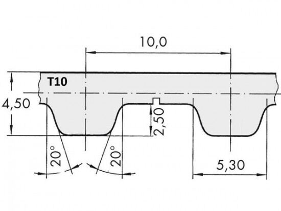
Řemen ozubený 75 T10 / 3200 AFX optibelt ALPHA FLEX

Řemen ozubený 75 T10 / 3200 AFX optibelt ALPHA FLEX

Kód produktu: 
4044978596215
Dostupnost:
Na dotaz
17 237 Kč
14 245 Kč bez DPH