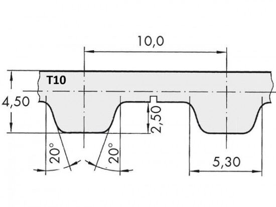
Řemen ozubený 75 T10 / 2700 AFX optibelt ALPHA FLEX

Řemen ozubený 75 T10 / 2700 AFX optibelt ALPHA FLEX

Kód produktu: 
4044978594969
Dostupnost:
Na dotaz
14 504 Kč
11 987 Kč bez DPH