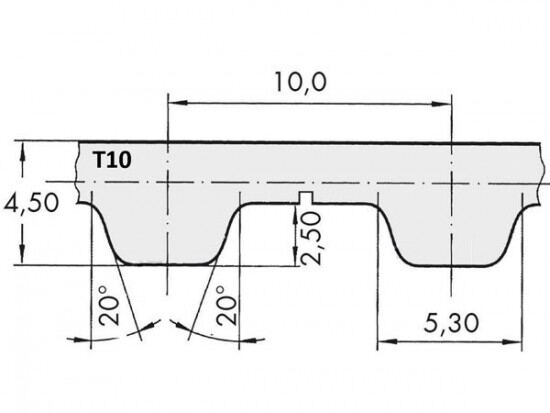
Řemen ozubený 75 T10 / 2600 AFX optibelt ALPHA FLEX

Řemen ozubený 75 T10 / 2600 AFX optibelt ALPHA FLEX

Kód produktu: 
4044978596888
Dostupnost:
Na dotaz
13 997 Kč
11 568 Kč bez DPH