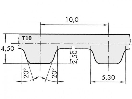
Řemen ozubený 75 T10 / 2400 AFX optibelt ALPHA FLEX

Řemen ozubený 75 T10 / 2400 AFX optibelt ALPHA FLEX

Kód produktu: 
4044978585189
Dostupnost:
Na dotaz
12 985 Kč
10 731 Kč bez DPH