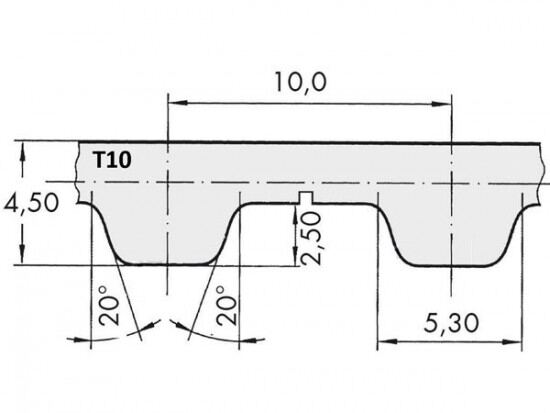
Řemen ozubený 75 T10 / 2100 AFX optibelt ALPHA FLEX

Řemen ozubený 75 T10 / 2100 AFX optibelt ALPHA FLEX

Kód produktu: 
4014486088885
Dostupnost:
Na dotaz
11 422 Kč
9 440 Kč bez DPH