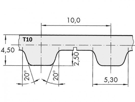
Řemen ozubený 75 T10 / 11800 AFX optibelt ALPHA FLEX

Řemen ozubený 75 T10 / 11800 AFX optibelt ALPHA FLEX

Kód produktu: 
4044978605856
Dostupnost:
Na dotaz
65 296 Kč
53 964 Kč bez DPH