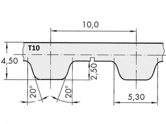
Řemen ozubený 75 T10 / 11000 AFX optibelt ALPHA FLEX

Řemen ozubený 75 T10 / 11000 AFX optibelt ALPHA FLEX

Kód produktu: 
4044978602695
Dostupnost:
Na dotaz
60 767 Kč
50 221 Kč bez DPH