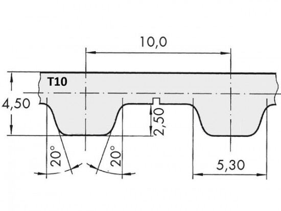
Řemen ozubený 75 T10 / 10600 AFX optibelt ALPHA FLEX

Řemen ozubený 75 T10 / 10600 AFX optibelt ALPHA FLEX

Kód produktu: 
4044978602688
Dostupnost:
Na dotaz
58 585 Kč
48 417 Kč bez DPH