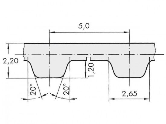
Řemen ozubený 50 T5 / 9400 AFX optibelt ALPHA FLEX

Řemen ozubený 50 T5 / 9400 AFX optibelt ALPHA FLEX

Kód produktu: 
4044978603913
Dostupnost:
Na dotaz
30 569 Kč
25 263 Kč bez DPH