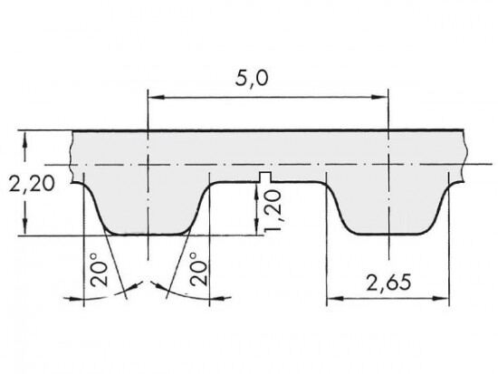
Řemen ozubený 50 T5 / 9200 AFX optibelt ALPHA FLEX

Řemen ozubený 50 T5 / 9200 AFX optibelt ALPHA FLEX

Kód produktu: 
4044978605832
Dostupnost:
Na dotaz
29 901 Kč
24 712 Kč bez DPH