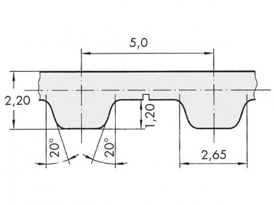
Řemen ozubený 50 T5 / 8600 AFX optibelt ALPHA FLEX

Řemen ozubený 50 T5 / 8600 AFX optibelt ALPHA FLEX

Kód produktu: 
4044978604620
Dostupnost:
Na dotaz
27 971 Kč
23 116 Kč bez DPH