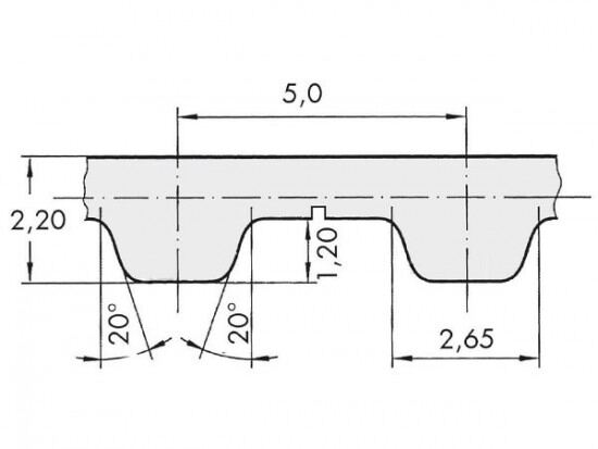
Řemen ozubený 50 T5 / 7200 AFX optibelt ALPHA FLEX

Řemen ozubený 50 T5 / 7200 AFX optibelt ALPHA FLEX

Kód produktu: 
4044978615701
Dostupnost:
Na dotaz
23 398 Kč
19 338 Kč bez DPH