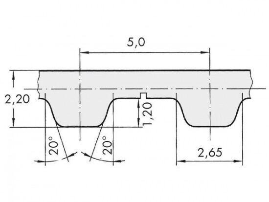
Řemen ozubený 50 T5 / 7000 AFX optibelt ALPHA FLEX

Řemen ozubený 50 T5 / 7000 AFX optibelt ALPHA FLEX

Kód produktu: 
4044978592712
Dostupnost:
Na dotaz
22 776 Kč
18 823 Kč bez DPH