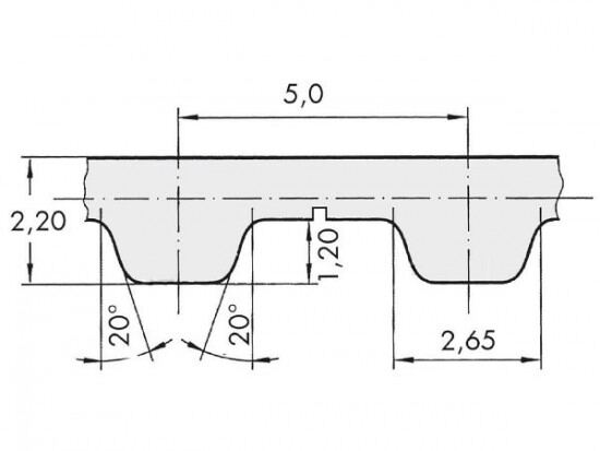
Řemen ozubený 50 T5 / 6800 AFX optibelt ALPHA FLEX

Řemen ozubený 50 T5 / 6800 AFX optibelt ALPHA FLEX

Kód produktu: 
4044978590374
Dostupnost:
Na dotaz
22 156 Kč
18 311 Kč bez DPH