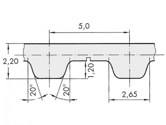
Řemen ozubený 50 T5 / 6600 AFX optibelt ALPHA FLEX

Řemen ozubený 50 T5 / 6600 AFX optibelt ALPHA FLEX

Kód produktu: 
4044978590275
Dostupnost:
Na dotaz
21 466 Kč
17 740 Kč bez DPH