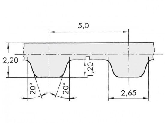
Řemen ozubený 50 T5 / 6000 AFX optibelt ALPHA FLEX

Řemen ozubený 50 T5 / 6000 AFX optibelt ALPHA FLEX

Kód produktu: 
4044978595478
Dostupnost:
Na dotaz
19 535 Kč
16 145 Kč bez DPH