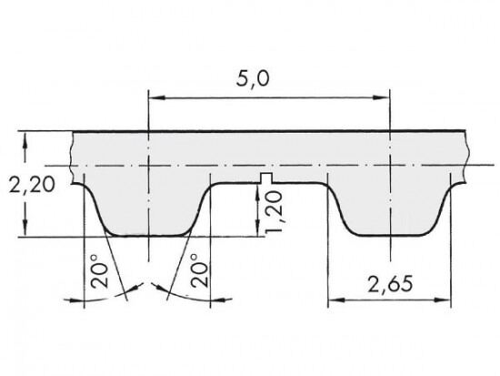
Řemen ozubený 50 T5 / 5800 AFX optibelt ALPHA FLEX

Řemen ozubený 50 T5 / 5800 AFX optibelt ALPHA FLEX

Kód produktu: 
4044978584342
Dostupnost:
Na dotaz
18 892 Kč
15 613 Kč bez DPH