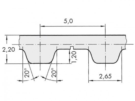
Řemen ozubený 50 T5 / 5200 AFX optibelt ALPHA FLEX

Řemen ozubený 50 T5 / 5200 AFX optibelt ALPHA FLEX

Kód produktu: 
4044978589316
Dostupnost:
Na dotaz
16 939 Kč
13 999 Kč bez DPH