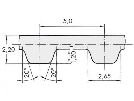
Řemen ozubený 50 T5 / 5000 AFX optibelt ALPHA FLEX

Řemen ozubený 50 T5 / 5000 AFX optibelt ALPHA FLEX

Kód produktu: 
4014486023329
Dostupnost:
Na dotaz
16 203 Kč
13 391 Kč bez DPH