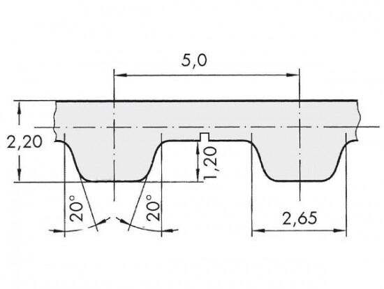
Řemen ozubený 50 T5 / 4400 AFX optibelt ALPHA FLEX

Řemen ozubený 50 T5 / 4400 AFX optibelt ALPHA FLEX

Kód produktu: 
4044978592705
Dostupnost:
Na dotaz
14 365 Kč
11 872 Kč bez DPH