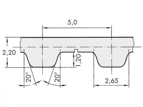
Řemen ozubený 50 T5 / 3800 AFX optibelt ALPHA FLEX

Řemen ozubený 50 T5 / 3800 AFX optibelt ALPHA FLEX

Kód produktu: 
4044978586407
Dostupnost:
Na dotaz
12 458 Kč
10 296 Kč bez DPH