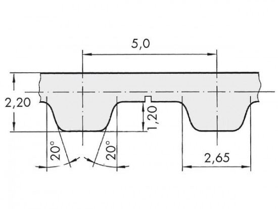
Řemen ozubený 50 T5 / 3600 AFX optibelt ALPHA FLEX

Řemen ozubený 50 T5 / 3600 AFX optibelt ALPHA FLEX

Kód produktu: 
4044978590169
Dostupnost:
Na dotaz
11 745 Kč
9 706 Kč bez DPH