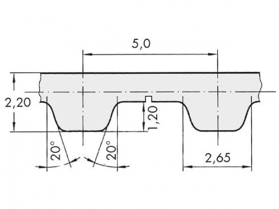
Řemen ozubený 50 T5 / 3400 AFX optibelt ALPHA FLEX

Řemen ozubený 50 T5 / 3400 AFX optibelt ALPHA FLEX

Kód produktu: 
4044978594242
Dostupnost:
Na dotaz
10 848 Kč
8 965 Kč bez DPH