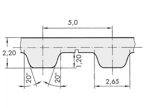
Řemen ozubený 50 T5 / 3200 AFX optibelt ALPHA FLEX

Řemen ozubený 50 T5 / 3200 AFX optibelt ALPHA FLEX

Kód produktu: 
4014486022780
Dostupnost:
Na dotaz
10 182 Kč
8 415 Kč bez DPH