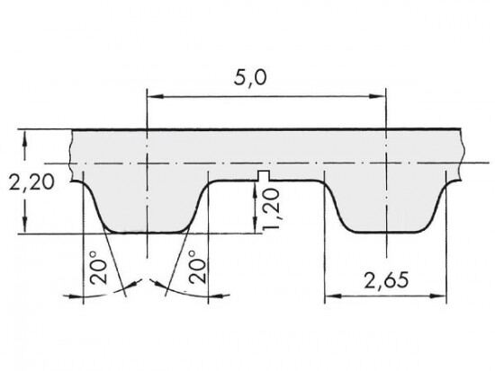
Řemen ozubený 50 T5 / 2900 AFX optibelt ALPHA FLEX

Řemen ozubený 50 T5 / 2900 AFX optibelt ALPHA FLEX

Kód produktu: 
4014486022667
Dostupnost:
Na dotaz
9 264 Kč
7 656 Kč bez DPH