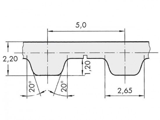
Řemen ozubený 50 T5 / 2800 AFX optibelt ALPHA FLEX

Řemen ozubený 50 T5 / 2800 AFX optibelt ALPHA FLEX

Kód produktu: 
4014486022605
Dostupnost:
Na dotaz
8 965 Kč
7 409 Kč bez DPH