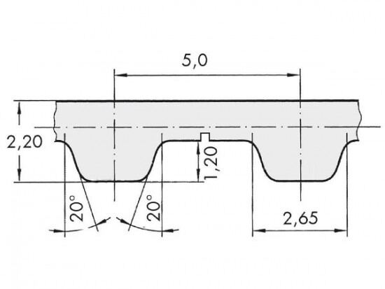
Řemen ozubený 50 T5 / 2700 AFX optibelt ALPHA FLEX

Řemen ozubený 50 T5 / 2700 AFX optibelt ALPHA FLEX

Kód produktu: 
4044978588746
Dostupnost:
Na dotaz
8 667 Kč
7 162 Kč bez DPH