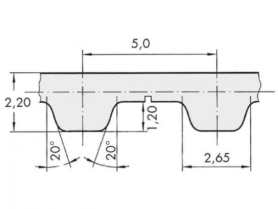
Řemen ozubený 50 T5 / 2600 AFX optibelt ALPHA FLEX

Řemen ozubený 50 T5 / 2600 AFX optibelt ALPHA FLEX

Kód produktu: 
4044978590268
Dostupnost:
Na dotaz
8 343 Kč
6 895 Kč bez DPH