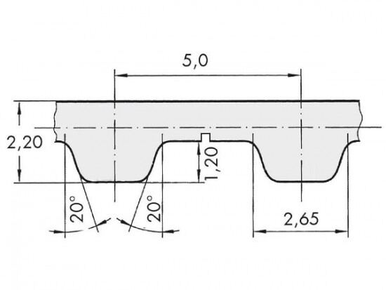
Řemen ozubený 50 T5 / 2400 AFX optibelt ALPHA FLEX

Řemen ozubený 50 T5 / 2400 AFX optibelt ALPHA FLEX

Kód produktu: 
4044978591975
Dostupnost:
Na dotaz
7 745 Kč
6 401 Kč bez DPH