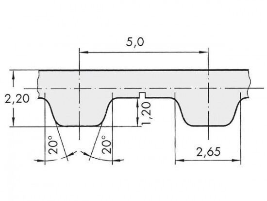
Řemen ozubený 50 T5 / 2300 AFX optibelt ALPHA FLEX

Řemen ozubený 50 T5 / 2300 AFX optibelt ALPHA FLEX

Kód produktu: 
4044978590213
Dostupnost:
Na dotaz
7 402 Kč
6 117 Kč bez DPH