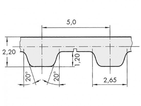
Řemen ozubený 50 T5 / 2100 AFX optibelt ALPHA FLEX

Řemen ozubený 50 T5 / 2100 AFX optibelt ALPHA FLEX

Kód produktu: 
4044978594389
Dostupnost:
Na dotaz
6 805 Kč
5 624 Kč bez DPH