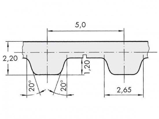
Řemen ozubený 50 T5 / 2000 AFX optibelt ALPHA FLEX

Řemen ozubený 50 T5 / 2000 AFX optibelt ALPHA FLEX

Kód produktu: 
4014486022124
Dostupnost:
Na dotaz
6 319 Kč
5 222 Kč bez DPH