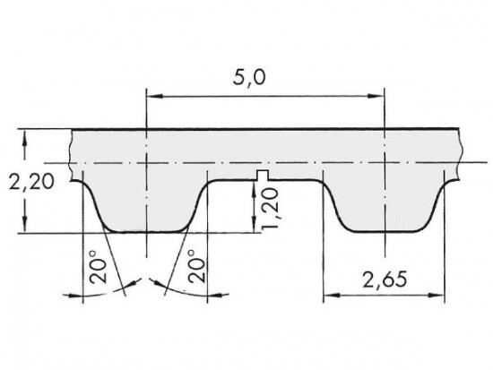
Řemen ozubený 50 T5 / 1900 AFX optibelt ALPHA FLEX

Řemen ozubený 50 T5 / 1900 AFX optibelt ALPHA FLEX

Kód produktu: 
4044978597649
Dostupnost:
Na dotaz
6 044 Kč
4 995 Kč bez DPH