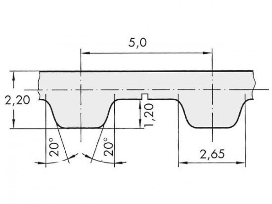
Řemen ozubený 50 T5 / 1800 AFX optibelt ALPHA FLEX

Řemen ozubený 50 T5 / 1800 AFX optibelt ALPHA FLEX

Kód produktu: 
4044978588975
Dostupnost:
Na dotaz
5 895 Kč
4 872 Kč bez DPH