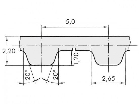
Řemen ozubený 50 T5 / 1700 AFX optibelt ALPHA FLEX

Řemen ozubený 50 T5 / 1700 AFX optibelt ALPHA FLEX

Kód produktu: 
4014486021943
Dostupnost:
Na dotaz
5 426 Kč
4 485 Kč bez DPH