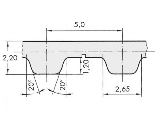
Řemen ozubený 50 T5 / 1400 AFX optibelt ALPHA FLEX

Řemen ozubený 50 T5 / 1400 AFX optibelt ALPHA FLEX

Kód produktu: 
4014486832907
Dostupnost:
Na dotaz
4 882 Kč
4 034 Kč bez DPH