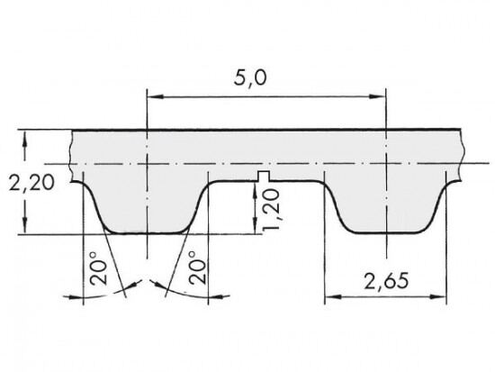
Řemen ozubený 50 T5 / 1200 AFX optibelt ALPHA FLEX

Řemen ozubený 50 T5 / 1200 AFX optibelt ALPHA FLEX

Kód produktu: 
4014486832785
Dostupnost:
Na dotaz
4 643 Kč
3 837 Kč bez DPH