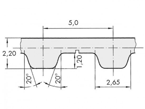
Řemen ozubený 50 T5 / 11800 AFX optibelt ALPHA FLEX

Řemen ozubený 50 T5 / 11800 AFX optibelt ALPHA FLEX

Kód produktu: 
4044978613318
Dostupnost:
Na dotaz
38 359 Kč
31 702 Kč bez DPH