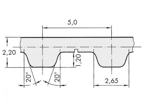
Řemen ozubený 50 T5 / 11600 AFX optibelt ALPHA FLEX

Řemen ozubený 50 T5 / 11600 AFX optibelt ALPHA FLEX

Kód produktu: 
4044978611604
Dostupnost:
Na dotaz
37 671 Kč
31 133 Kč bez DPH