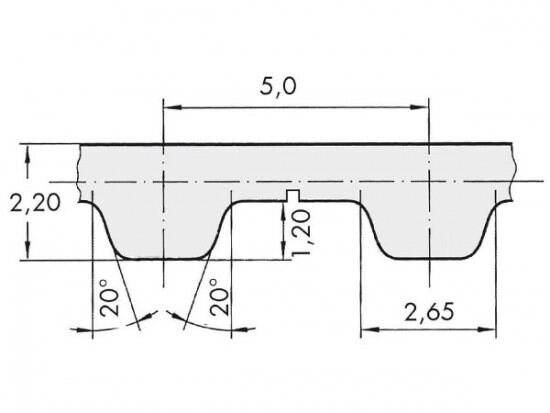
Řemen ozubený 50 T5 / 1100 AFX optibelt ALPHA FLEX

Řemen ozubený 50 T5 / 1100 AFX optibelt ALPHA FLEX

Kód produktu: 
4014486832723
Dostupnost:
Na dotaz
4 462 Kč
3 688 Kč bez DPH