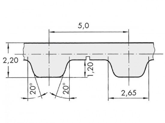
Řemen ozubený 50 T5 / 10400 AFX optibelt ALPHA FLEX

Řemen ozubený 50 T5 / 10400 AFX optibelt ALPHA FLEX

Kód produktu: 
4044978603630
Dostupnost:
Na dotaz
33 785 Kč
27 921 Kč bez DPH