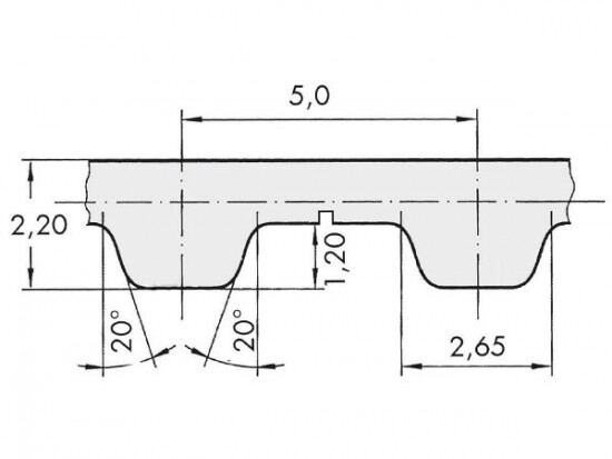
Řemen ozubený 50 T5 / 10200 AFX optibelt ALPHA FLEX

Řemen ozubený 50 T5 / 10200 AFX optibelt ALPHA FLEX

Kód produktu: 
4044978610102
Dostupnost:
Na dotaz
33 140 Kč
27 389 Kč bez DPH