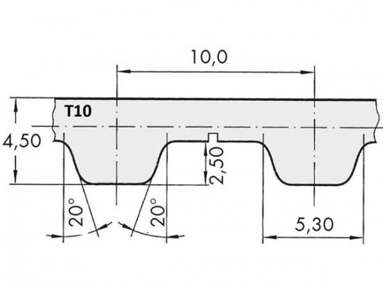
Řemen ozubený 50 T10 / 7800 AFX optibelt ALPHA FLEX

Řemen ozubený 50 T10 / 7800 AFX optibelt ALPHA FLEX

Kód produktu: 
4044978617187
Dostupnost:
Na dotaz
28 225 Kč
23 326 Kč bez DPH