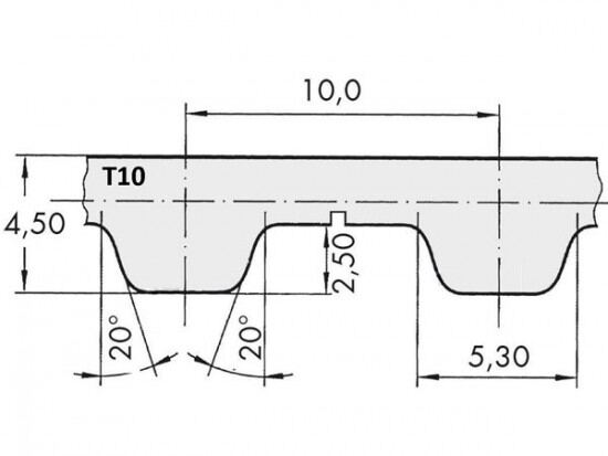
Řemen ozubený 50 T10 / 7600 AFX optibelt ALPHA FLEX

Řemen ozubený 50 T10 / 7600 AFX optibelt ALPHA FLEX

Kód produktu: 
4044978604736
Dostupnost:
Na dotaz
27 441 Kč
22 679 Kč bez DPH