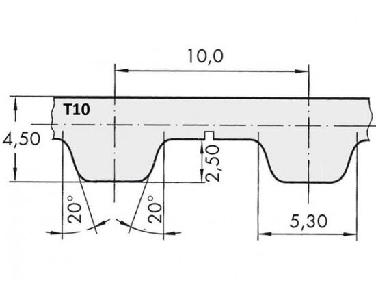
Řemen ozubený 50 T10 / 7200 AFX optibelt ALPHA FLEX

Řemen ozubený 50 T10 / 7200 AFX optibelt ALPHA FLEX

Kód produktu: 
4044978616418
Dostupnost:
Na dotaz
26 017 Kč
21 502 Kč bez DPH